產品名稱:壓力傳感器,微型壓力傳感器,微型測力傳感器
產品型號:CAZF-Y8
特點與用途
- 不銹鋼材質
- 外形尺寸小,變形量小
- 動態響應頻率高
- 適用于汽車壓裝、自動化組裝、3C產品測試、新能源產品組裝、醫療檢測、機器人領域,模具組裝及其他工業測試、測量及控制系統
技術參數:
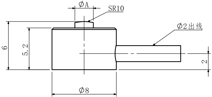
外形尺寸:


受力方式:

接線方式:

壓力傳感器_測力傳感器輸出毫伏信號,需配變送器(放大器)或顯示控制儀
變送器:
1、數字型(RS23S或RS485)
2、模擬型(電流4-20mA,電壓0-5V/0-10V)
顯示控制儀:
標配RS485\晶體管開關量輸出,選配RS232或模擬量
具體請聯系我司工程師或者微信咨詢






